Dショートトラック
2020/10/21 日本には数少ない新型Dショート車が納車されました
この度、日本で希少な新型10tショートトラックが納車されました。
今回の新型10tショートトラックは現行の10tショートトラックとは違い登坂力に拘った車両です。
名称は 『 Dショート 』です。
今回の新型Dショートは、従来のエンジン馬力、360馬力から80馬力も大幅にアップした420馬力です。
大きく違う点はギア比を最大限に上げ、ダンプトラックと同様のギア比にしていますので駆動力が大きくあがり、従来12%前後の勾配が限度だったのが、新型Dショートでは25%前後の勾配まで可能となりました。
(勾配・登坂力は天候、路面状況により異なります)
開発・造成工事時(土木工事)にダンプトラックが登った実績があれば可能と判断できます。
それにより今までの現地調査、車両合わせなどに要した時間とコストが削減できます。
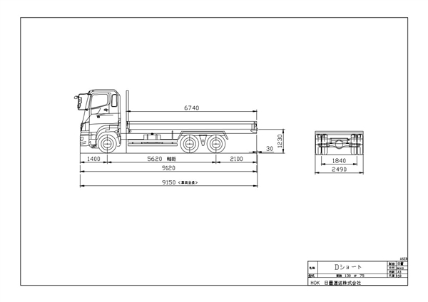
車両サイズも現行型と同じ全長9.1mでありながら、荷台長は現行型より0.9m長い6.7m(現行型は5.8m)を確保し、後方オーバーハングは短く、荷台後方に積載することが可能となりました。最大積載量は12,300kgです。
道幅が狭く、急勾配がある現場にも新型Dショートならご期待に添えます。
たくさんのご用命をお待ちしております。

![]() |
![]() |
Dショートの走行性能線図、図面はクリックするとPDFで拡大表示できます。









